Controles de Nível

Chaves de nível capacitivas

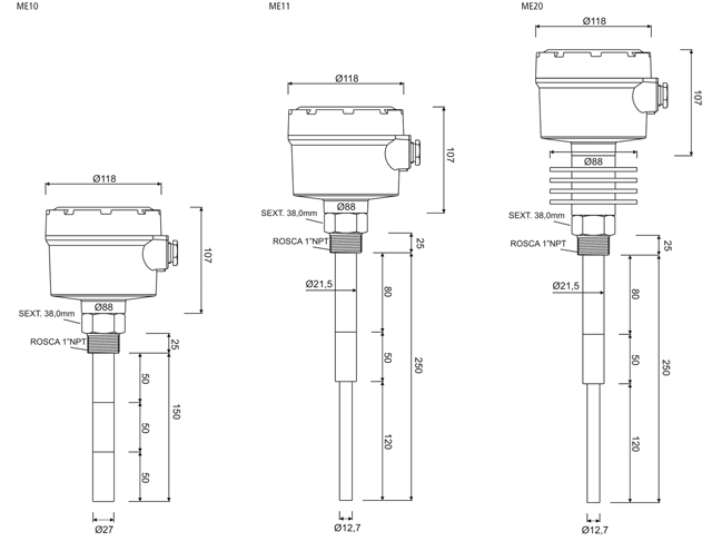
Tipo: ME10, ME11 e ME20


Introdução

As chaves de nível capacitivas tipos ME10, ME11 e ME20 são utilizadas para controle de nível de substâncias sólidas e líquidas condutoras ou não condutoras. Sua utilização é vasta e está praticamente em qualquer lugar onde se faz necessário o controle do nível no interior de tanques que contêm diversos tipos de materiais como: cereais, géneros alimentícios, sementes, plantas de biscoitos e indústria de alimentos em geral, manuseio de materiais plásticos, petroquímica, fundições e fábricas de cimento.

Principais Características

  • Diversas aplicações: meios líquidos, pastosos ou sólidos.
  • Opera em meios condutivos e não condutivos.
  • Não possui partes móveis.
  • Estrutura compacta e resistente.
  • Corpo em alumínio.
  • Fixação por rosca ou flange.
  • Opera em altas temperaturas e pressões.
  • Instalação simples e econômica.

Principais aplicações

Evitar instalar em:

  • Ambientes que exalam gases corrosivos.
  • Temperaturas superiores à suportável pelo aparelho.

Funcionamento

O princípio de funcionamento baseia-se no comportamento de um condensador à capacitância, dos quais depende da área formada entre a haste e o material a ser supervisionado.

Depois de instalada a sonda, se o tanque não for condutivo, deve-se realizar a ligação à terra na sonda. Para calibrar a sensibilidade o potenciômetro de ajuste deve ser regulado com a sonda sem material até o ponto em que o relé comute (mínimo). A sonda deve então ser imersa no material e o potenciômetro deve ser ajustado mais uma vez, até que o relé comute (máximo). Com uma última operação, colocar a posição do potenciômetro na posição intermediaria entre as duas marcações (mínima e máxima) realizadas anteriormente.

INSTALAÇÃO

O aparelho deve ser fixado em locais que fique fora da entrada de material para permitir que sua medição não sofra interferências a fim de se evitarem interrupções que acarretariam falsas indicações de nível.

Só devem ser instalados na posição horizontal e na lateral dos recipientes com o conector prensa-cabo voltado para baixo. Na parte superior do recipiente para nível máximo e na parte inferior para nível mínimo.

Diagrama(s) de ligação

Dados técnicos

Alimentação

24 Vcc, 110-220 Vca (especificar)

Frequência da rede

50-60 Hz

Consumo

2 W

Contatos de Saída

Relé: 5 A, 250 Vca máx. carga resistiva

Retardo no desligamento

6 segundos, ajustável

Conexão ao processo

1”PT

Sensibilidade

10 pF

Temperatura de trabalho

ME10 e ME11: - 20 a 80°C

ME-20: - 20 a 200°C

Temperatura ambiente

De armazenamento: -20 a 60°C

Pressão máxima

20 Kg/cm³

Material da carcaça

Alumínio

Grau de proteção

IP 65

Dimensões (mm)

COMPLETA LINHA DE PRODUTOS A PRONTA ENTREGA.