Proteção

Relés de sequência de fase

Tipo: JPG-1, DPG-1, MPG-1 e DPX-136


Introdução

Os relés de sequência de fases JPG-1, DPG-1, MPG-1 e DPX-136 foram desenvolvidos pela Digimec para a proteção de equipamentos elétricos trifásicos que não podem operar quando estiverem invertidas as fases de alimentação. O modelo DPX-136 possui uma correção automática na sequência de fase, caso esteja invertida. Com tamanho compacto, podem ser acondicionados em pequenos espaços. Montados em caixas plásticas, apresentam alta resistência a choques, vibrações, além de possuírem um sistema de fácil fixação em trilho DIN ou por parafusos (mediante adaptador opcional para caixas D e J).

Funcionamento

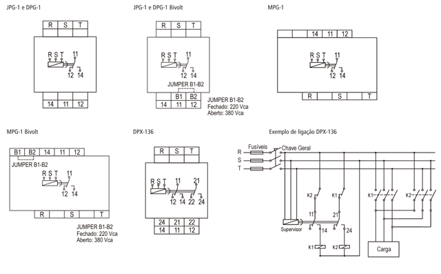
JPG-1, DPG-1 e MPG-1: Alimentando-se o aparelho com as três fases em sequência, o relé de saída comuta seus contatos para a posição de trabalho (led indicativo de saída aceso no frontal). Se duas fases da alimentação forem invertidas, o relé de saída comuta seus contatos para a posição de repouso (led indicativo de saída apagado no frontal).


DPX-136: Alimentando-se o equipamento com a rede trifásica, o circuito eletrônico identifica se a sequência está correta ou não. Caso esteja, ele habilita o monitoramento através da saída 1, inibindo a saída 2. Caso não esteja na sequência correta, automaticamente habilita o monitoramento através da saída 2, inibindo a saída 1. Para correção automática da sequência trifásica, a saída 2 deverá estar acoplada ao circuito que consta em “exemplo de ligação”.

Diagrama(s) de funcionamento

Diagrama(s) de ligação

Dados técnicos

Alimentação (-15% +10%)

DPG-1 e JPG-1: 24, 110, 220, 380, 440 ou 220 a 380 Vca (especificar)
MPG-1: 110, 220, 380, 440, 480, 220-380 ou 380 a 440 Vca (especificar)
DPX-136: 110, 220, 380, 440, 460 ou 480 Vca (especificar)

Frequência da rede

50 - 60 Hz

Consumo

3 VA (aproximadamente)

Sequência

Positiva (RST - STR - TRS)

Tempo de comutação

20 ms

Tempo de retorno

100 ms

Tempo de estabilização térmica

< 30 minutos

Tempo de energização

< 2 segundos

Reles de saída

5 A, 250 Vca máx. carga resistiva -­ reversível

Material dos contatos

AgCdO

Vida útil dos contatos

Mecânica (sem carga): 10.000.000 operações
Elétrica (sem carga): 1.000.000 operações

Temperatura ambiente

De trabalho: 0 a 50°C
De armazenamento: -10 a 60°C

Umidade relativa de trabalho

20 a 90% sem condensação

Material da caixa

Termoplástico

Terminais de saída

Parafusos com alojamento fixo

Grau de proteção da caixa

IP 51

Grau de proteção nos terminais

IP 20

Capacidade dos terminais

Fio: 2,5 mm²
Cabo: 2,5 mm²
Condutor com terminal: 2,5 mm²
Torque de aperto: 0,5 a 0,6 Nm

Fixação

Trilho DIN 35 mm ou parafusos (com adaptador para caixas D ou J)

Dimensões (mm)

COMPLETA LINHA DE PRODUTOS A PRONTA ENTREGA.